Продукция
Промышленные компьютерные платформы
Категории
Для хранения данных
Для сетевой безопасности
Для систем искусственного интеллекта
Шлюзы QTS Gateway для IoT
Мониторы и дисплеи
Категории
Мониторы
Устройства видеоотображения: PLKIT
Аксессуары для мониторов
Крепежные элементы для мониторов
Панельные компьютеры
Категории
Панельные компьютеры
Промышленные рабочие станции
Аксессуары для панельных компьютеров
Крепежные элементы для панельных компьютеров
Встраиваемые компьютеры
Категории
Многофункциональные: cерия TANK
Ультракомпактные: серии uIBX , ITG
Компактные: cерии ECN, ECW
Модульные: cерии Flex
На DIN-рейку: cерия DRPC/ITG
Для транспорта: IVS, SBOX, IRS, IBX
Для медицины: HTB
Информационные плееры: IDS
Аксессуары для встраиваемых компьютеров
Крепежные элементы для встраиваемых компьютеров
Процессорные платы
Категории
Ускорители вычислений Mustang: VPU, FPGA, CPU
Материнские платы: ATX, Micro-ATX, Mini-ITX
Встраиваемые платы: 5.25", EPIC, 3.5", 2.5", PICO
Полноразмерные PICMG платы: 1.0, 1.3
Платы PICMG половинного размера: PCIe, PCISA, ISA
Модульные платы: ETX, COM Express, Q7, SoM
Платы и модули форматов PC/104 и PCI-104
Cерверные платы PEMUX Full-size
Сетевые платы PCI Express
Аксессуары для процессорных плат
Компьютерные корпуса
Категории
Корпуса для монтажа в 19" стойку: Rack
Корпуса в настольно-настенном исполнении: PAC, ECA, PR, BRICK
Рельсы для крепления корпусов в 19" стойку: SLIDE
Аксессуары для корпусов
Пассивные шины
Категории
Полноразмерные PICMG 1.3
Полноразмерные PICMG 1.0
Полноразмерные PEMUX
Половинного размера PCI / PCIe
Половинного размера PCISA
Половинного размера ISA
RISER карты
Блоки питания
Категории
Резервируемые
DC-DC модули, ИБП, Батареи
Адаптеры питания
Промышленные формата PS/2
Низкопрофильные высотой 1U и 2U
Бескорпусные
Аксессуары для блоков питания
Периферия
Категории
Промышленные клавиатуры и указательные устройства
Ускорители вычислений
Аксессуары для периферии
Новости
Применение
Поддержка
Библиотека
Гарантия и сервис
Каталоги
Документация и ПО
Протестировать оборудование в нашей лаборатории
О компании
Где купить
Москва
Санкт-Петербург
Новосибирск
Екатеринбург
Алматы
Минск (партнёр)
Частным лицам
+7 (495) 980-64-06
+7 (812) 326-59-24
+7 (383) 330-05-18
+7 (343) 311-90-07
+ 7 (727) 339-97-17
+375 (17) 235-00-34
+7 (812) 326-45-54
russia@iei.ru
+7 (495) 980-64-06
+7 (812) 326-59-24
+7 (383) 330-05-18
+7 (343) 311-90-07
+ 7 (727) 339-97-17
+375 (17) 235-00-34
+7 (812) 326-45-54
Москва
Санкт-Петербург
Новосибирск
Екатеринбург
Алматы
Минск (партнёр)
Частным лицам
0
В корзине нет товаров
В каталог
Промышленные компьютерные платформы
Мониторы и дисплеи
Панельные компьютеры
Встраиваемые компьютеры
Процессорные платы
Еще категории
Компьютерные корпуса
Пассивные шины
Блоки питания
Периферия
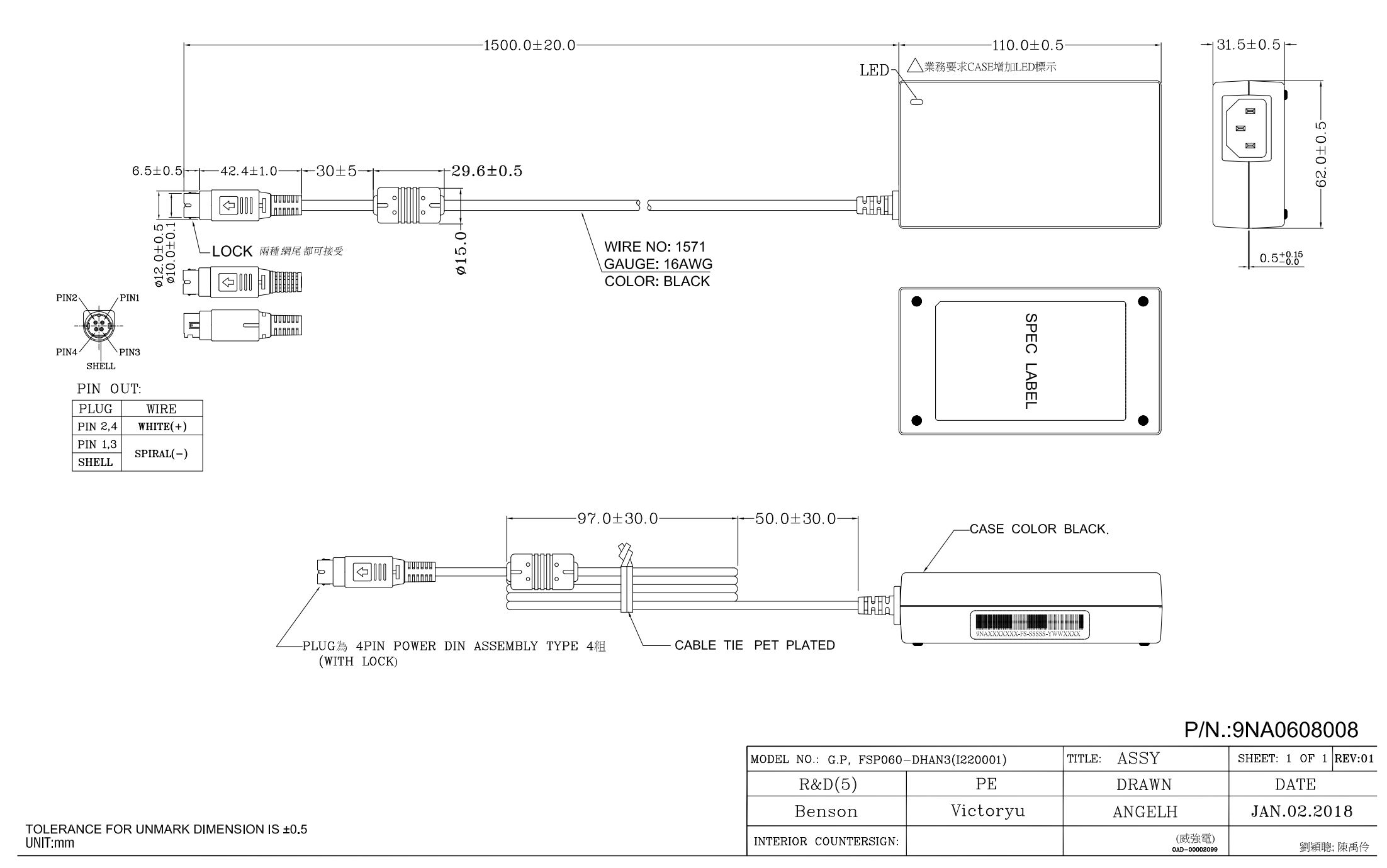
Промышленный блок питания 63040-010060-220-RS
Главная
/
Продукция
/
Блоки питания
/
Адаптеры питания
/
63040-010060-220-RS
Описание
Промышленный блок питания 63040-010060-220-RS, FSP060-DHAN3, 90~264В AC, 60 Вт, 62.0 х 110 х 31.5 мм, Plug - 6.5 мм, Din 4Pin/lock, кабель - 1500 мм, 12 В DC
Основные характеристики
Система охлаждения
Пассивная (безвентиляторная)
Наработка на отказ (MTBF), час
300000
Диапазон входного напряжения
90 ~ 264 В
Температура эксплуатации, °C
0 ~ +70
51.24 $
3 747.05 ₽
Арт. 6133113
Доступно к заказу
В корзину
Cравнение
Технические характеристики
Файлы
Конструктивное исполнение
Тип
Блок питания
Система охлаждения
Пассивная (безвентиляторная)
Блок питания
Тип и конструкция блока питания
Внешний адаптер
Мощность
60 Вт
Минимальное время удержания ( Hold-up Time )
10 мс
Эффективность (КПД)
88 %
Общие параметры
Наработка на отказ (MTBF), час
300000
Входные характеристики
Диапазон входного напряжения
90 ~ 264 В
Частота входного напряжения
47 ~ 63 Гц
Физические параметры
Габаритные размеры, мм
110 х 62 х 31,5
Условия эксплуатации
Температура эксплуатации, °C
0 ~ +70
Температура хранения, °C
-20 ~ +80
Влажность
20 ~ 80 % ( без конденсата )
Сертификаты
RoHS
Да
Безопасности и электромагнитной совместимости
CE
CUL
CСС
EN 55024
EN 55032
EN 61000-3-2
EN 61000-3-3
EN 61000-4
FCC
VCCI
Гарантийные условия
Гарантийный срок
2 года
Документация
Datasheet (англ.):
скачать
Взять оборудование на тест
Согласие на
обработку персональных данных
и Согласие с
условиями тестирования
Задать вопрос
Согласие на
обработку персональных данных
Взять на тест
Задать вопрос